Актуатор - это исполнительное устройство или его активный элемент, преобразующий один из видов энергии (электрической, магнитной, тепловой, химической) в другую (чаще всего - в механическую), что приводит к выполнению определенного действия, заданного управляющим сигналом.

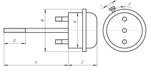
| № п/п | Наименование | Бренд | A, мм | B, мм | C, мм | D, мм | E, мм | F, мм | G, мм | H, мм | Применение | Комментарий |
|---|---|---|---|---|---|---|---|---|---|---|---|---|
| 1 | K03 | KKK | 122.00 | 70.00 | 51.00 | 39.00 | 6.00 | Сверху | 59.00 | 59.00 | 53039700025 53039700029 | n/a |
| 2 | KP35-1 | KKK | 95.00 | 58.50 | 42.60 | 40.00 | 6.00 | Сверху | 49.00 | 49.00 | 54359700000 | n/a |
| 3 | KP35-2 | KKK | 39.00 | 58.70 | 41.20 | 31.00 | 6.60 | Сверху | 48.60 | 49.20 | 54359700005 | n/a |
| 4 | KP35-3 | KKK | 96.00 | 58.30 | 43.00 | 40.00 | 7.00 | Сверху | 48.80 | 48.80 | 54359700001 54359700007 54359700009 | n/a |
| 5 | KP39-1 | KKK | 112.50 | 70.60 | 43.60 | 60.00 | 5.20 | Сверху | 58.70 | 58.50 | 54399700001 54399700003 54399700005 54399700006 54399700007 54399700008 54399700010 54399700012 54399700015 54399700022 54399700082 54399700009 54399700011 54399700021 54399700020 54399700023 54399700059 54399700050 54399700016 54399700047 54399700057 | n/a |
| 6 | KP39-2 | KKK | 113.90 | 70.50 | 44.30 | 58.00 | 5.30 | Сверху | 58.50 | 58.60 | 53049700032 | n/a |
| 7 | BV39-1 | KKK | 106.20 | 70.50 | 43.90 | 49.00 | 5.10 | n/a | 58.60 | 59.00 | 54399700070 | n/a |
| 8 | BV39-2 | KKK | 109.00 | 70.20 | 44.20 | 49.00 | 5.30 | n/a | 58.60 | 59.00 | 54399700002 54399700027 | n/a |
| 9 | BV39-3 | KKK | 102.00 | 70.00 | 46.40 | 69.00 | 5.20 | n/a | 69.00 | 68.50 | 54399700029 54399700048 54399700071 | n/a |
| 10 | K04VGT | KKK | 45.00 | 40.40 | 47.20 | 30.00 | 5.70 | n/a | 59.60 | 58.70 | 53039700127 53039700144 53039700145 53039700122 53039700097 | n/a |
| 11 | TB28 | GARRETT | 85.00 | 60.10 | 47.90 | 41.00 | 7.90 | 22.00 | 48.40 | 48.40 | n/a | n/a |
| 12 | GT1749V-1 | GARRETT | 54.00 | 76.00 | 47.00 | 35.00 | 8.00 | Сверху | 65.00 | 65,0/56,0 | 454195-0001 454232-0001 454232-0003 454232-0004 454232-0005 | n/a |
| 13 | GT1749V-2 | GARRETT | 54.00 | 76.00 | 47.00 | 35.00 | 5.00 | Сверху | 65.00 | 65,0/56,0 | 454232-0002 454232-0004 454232-0005 454232-0006 705650-0001 712078-0001 712968-0001 712968-0002 712968-0003 712968-0004 712968-0005 713672-0002 713672-0003 713673-0002 712968-0003 712968-0004 712968-0005 712968-0006 716213-0001 716216-0001 716216-0002 714419-0002 716860-0001 716860-0002 716860-0003 720855-0001 720855-0003 720855-0004 720855-0005 720855-0006 721021-0001 721021-0004 721021-0005 721021-0006 722730-0001 768331-0002 | n/a |
| 14 | GT2052V | GARRETT | 52.00 | 64.70 | 51.10 | 35.00 | 6.30 | 30.00 | 65.00 | 65.00 | 454135-0001 454135-0002 454135-0006 | n/a |
| 15 | GT1544S | GARRETT | 88.00 | 59.60 | 45.00 | 40.00 | 7.50 | Сверху | 48.50 | 48.50 | 700830-0001 700830-0003 703753-0001 | n/a |
| 16 | H1 | HOLSET | 142.00 | 60.20 | 50.70 | 41.50 | 8.10 | 3.00 | 48.30 | 48.30 | n/a | 1.5 |
| 17 | HX35 | HOLSET | 136.00 | 60.20 | 50.70 | 41.50 | 8.10 | 0.00 | 48.10 | 48.40 | n/a | 1,9-2,0 |
| 18 | HX40 | HOLSET | 136.00 | 60.00 | 51.00 | 42.00 | 8.10 | 35.00 | 48.50 | 48.50 | n/a | n/a |
| 19 | HX50 | HOLSET | 84.00 | 70.70 | 66.10 | 41.00 | 8.10 | 55.00 | 59.00 | 58.80 | n/a | n/a |
| 20 | S2B | Schwitzer | 44.00 | 60.00 | 48.50 | 40.00 | n/a | n/a | 48.00 | 48.00 | n/a | n/a |
| 21 | TD04 | MHI | 106.00 | 64.40 | 53.30 | 32.50 | 6.40 | n/a | 54.00 | 54.00 | n/a | n/a |
| 22 | TF035 | MHI | 106.00 | 64.40 | 57.00 | 31.50 | 6.40 | n/a | 54.00 | 54.00 | 49135-03101 49135-03130 | n/a |
| 23 | TKP61 | ТКР | 86.00 | 60.10 | 48.10 | 36.50 | 8.10 | 30.00 | 48.30 | 48.50 | n/a | n/a |
| 24 | RHF4 | IHI | 48.00 | 75.00 | 45.00 | 21.50 | 8.40 | Сверху | 64.50 | 64.50 | VV14 | n/a |
| 25 | RHF4-1 | IHI | 42.50 | 75.00 | 45.00 | 21.50 | 5.10 | Сверху | 64.50 | 64.50 | VJ32 | n/a |
| 26 | GTA42 | GARRETT | 46.00 | 77.00 | 77.50 | 41.50 | 8.10 | 17.00 | 65.00 | 65.00 | n/a | n/a |
| 27 | GT1544V | GARRETT | 46.00 | 60.00 | 53.00 | 37.00 | 5.00 | 37.00 | 48.00 | 49.50 | 750030-0001 753420-0002 | n/a |
| 28 | GT12 | GARRETT | 95.00 | 76.00 | 84.00 | 35.00 | n/a | n/a | 33.00 | n/a | 712290-0001 | n/a |
| 29 | GT1749V-3 | GARRETT | 46.00 | 76.00 | 47.00 | 35.00 | 5.10 | 12.00 | 64.50 | 64.50 | 717478-0001 717478-0002 717478-0003 717478-0004 717478-0005 717478-0006 | n/a |
| 30 | GT1749V-4 | GARRETT | 44.50 | 60.50 | 47.00 | 36.00 | 5.00 | Сверху | 48.00 | 48.00 | 454158-0001 454158-0003 454161-0001 454161-0003 454183-0001 454183-0002 454183-0003 708639-0002 708639-0003 708639-0004 708639-0005 708639-0006 708639-0007 | n/a |
| 31 | K16 | KKK | 62.00 | 58.50 | 47.50 | 40.00 | 6.10 | Сверху | 49.00 | 41.50 | 53169707025 53169707026 53169707030 53169707100 53169707103 53169707106 53169707107 53169707119 53169707120 53169707138 | n/a |
| 32 | TD02 | MHI | 65.00 | 56.00 | 43.30 | 21.00 | 6.40 | n/a | 43.00 | 43.00 | 49173-07508 | n/a |
| 33 | HY55V | HOLSET | 65.00 | 85.00 | 70.50 | 27.50 | 8.00 | n/a | 54.50 | 57.50 | n/a | n/a |
| 34 | K03-1 | KKK | 156.00 | 57.50 | 47.00 | 50.00 | 6.50 | Сверху | 47.00 | 47.00 | 53039700019 | n/a |
| 35 | TD04-1 | MHI | 103.00 | 64.00 | 54.00 | 18.00 | 5.20 | n/a | 53.50 | 53.50 | 49377-07010 | n/a |
| 36 | K27 | KKK | 103.00 | 58.50 | 47.00 | 40.00 | 6.80 | Сверху | 49.00 | 41.50 | 53279707145 53279707151 53279707094 53279707100 53279707105 53279707109 53279707111 53279707114 53279707116 53279707119 53279707120 53279707126 53279707127 53279707130 53279707150 | n/a |
| 37 | K04 | KKK | 138.00 | 59.50 | 49.00 | 69.00 | 6.50 | n/a | 47.00 | 47.00 | 53049700001 53049700006 53049700008 | n/a |
| 38 | GT1749V-6 | GARRETT | 54.50 | 76.00 | 47.00 | 35.00 | 5.00 | n/a | 65.00 | 65.00 | 750431-0004 750431-0006 750431-0007 750431-0008 750431-0009 750431-0010 750431-0004 750431-0012 750431-0013 | n/a |
| 39 | KP35-4 | KKK | 102.00 | 59.30 | 42.00 | 46.00 | 7.00 | n/a | 49.00 | 49.00 | 54359700011 54359700012 54359700033 | n/a |
| 40 | GT1746S | GARRETT | 112.00 | 59.80 | 46.10 | 41.00 | 8.00 | Сверху | 48.10 | 48.10 | 715383-0001 720477-0001 704059-0001 | n/a |
| 41 | GT2059 | GARRETT | 134.50 | 59.50 | 45.20 | 41.00 | 8.00 | n/a | 48.10 | 48.50 | 733676-0001 | n/a |
| 42 | TD04VG | MHI | 103.00 | 80.00 | 56.00 | 20.00 | 6.50 | n/a | 68.00 | 68.00 | 49377-07421 | n/a |
| 43 | GT1852V | GARRETT | 52.00 | 76.00 | 49.00 | 30.00 | 8.00 | Сверху | 64.50 | 64.50 | 704412-0001 709835-0001 709836-0001 709836-0003 709836-0004 726698-0001 726698-0002 726698-0003 | n/a |
| 44 | GT2256V | GARRETT | 58.00 | 76.00 | 45.00 | 41.00 | 8.00 | 36.00 | 65.00 | 65.00 | 765326-0001 | n/a |
| 45 | GT1749V-5 | GARRETT | 54.00 | 76.00 | 47.00 | 35.00 | 5.00 | n/a | 65.00 | 65,0/56,0 | 454232-0001 454232-0003 454232-0004 454232-0005 454232-0009 713672-0001 713672-0002 713672-0003 713672-0004 713672-0005 721021-0001 724930-0006 751851-0003 | n/a |
| 46 | GT2052V-1 | GARRETT | 52.00 | 80.00 | 49.00 | 36.00 | 5.00 | 18.00 | 65.80 | 67.80 | 723739-0003 723739-0005 724639-0006 724639-0007 | n/a |
| 47 | GT2252V | GARRETT | 54.00 | 76.00 | 47.00 | 35.00 | 6.50 | Сбоку | 65.00 | 65,0/56,0 | 454192-0001 454192-0002 454192-0005 | n/a |
| 48 | GT1646V | GARRETT | 100.00 | 76.00 | 47.00 | 41.00 | 5.00 | 24.00 | 65.00 | 65,0/56,0 | 756867-0003 | n/a |
| 49 | BV43E | KKK | 104.00 | 76.00 | 92.00 | 69.00 | 5.00 | 30.00 | 66.00 | 67.50 | 53039700139 53039700169 53039700129 53039700130 53039700132 53039700132 53039700137 53039700169 53039700205 53039700206 53039700207 53039700208 53039700168 | n/a |
| 50 | GT37/GT40 | GARRETT | 40.00 | 60.00 | 49.00 | 40.00 | 8.00 | n/a | 49.00 | 49.00 | 452312-0002 452312-0004 452312-0007 452312-0009 452308-0001 452308-0007 452308-0018 | n/a |
| 51 | GT2538C | GARRETT | 63.00 | 60.00 | 45.00 | 43.00 | 5.00 | n/a | 48.00 | 48.00 | 454110-0001 454207-0001 | n/a |
| 52 | GT12-1 | GARRETT | 96.00 | 49.00 | 42.00 | 40.00 | 6.00 | n/a | 33.00 | 35.00 | 704487-0001 454197-0001 454197-0002 454197-0003 708116-0001 708837-0001 | n/a |
| 53 | GT1549V | GARRETT | 45.00 | 76.00 | 47.00 | 35.00 | 5.00 | n/a | 65.00 | 65,0/55,0 | 700447-0003 700447-0004 700447-0005 700447-0006 700447-0007 | n/a |
| 54 | GT1749V-7 | GARRETT | 62.00 | 79.00 | 52.00 | 42.00 | 5.00 | n/a | 66.00 | 68,0/37,0 | 753556-0002 753556-0004 753556-0005 | n/a |
| 55 | GT1749V-7APS | GARRETT | n/a | n/a | n/a | n/a | n/a | n/a | n/a | n/a | 753556-0002 753556-0004 753556-0005 | n/a |
| 56 | GT1544V-1 | GARRETT | 52.00 | 60.00 | 50.00 | 30.00 | 5.00 | Сверху | 48.00 | 48,0/39,0 | 740611-0001 740611-0002 740611-0003 782403-0001 | n/a |
| 57 | GT1749V-8 | GARRETT | 60.00 | 60.00 | 46.00 | 30.00 | 6.00 | n/a | 48.00 | 48.00 | 713517-0012 713517-0015 713517-0016 | n/a |
| 58 | GT2256V-1 | GARRETT | 56.00 | 76.00 | 46.00 | 35.00 | 5.00 | Сверху | 65.00 | 65,0/56,0 | 709837-0001 709837-0002 709838-0001 709838-0003 709838-0004 709838-0005 709838-0015 721020-0001 711009-0001 | n/a |
| 59 | GT1444S | GARRETT | 93.00 | 60.00 | 44.50 | n/a | 5.00 | n/a | 48.50 | 48.50 | 708847-0001 708847-0002 454006-0002 | n/a |
| 60 | GT1546S | GARRETT | 52.00 | 60.00 | 45.00 | 35.00 | 8.00 | n/a | 48.00 | 48.00 | 706976-0001 706976-0002 706977-0001 706977-0002 706977-0003 | n/a |
| 61 | GT2556V | GARRETT | 47.50 | 76.00 | 48.00 | 30.00 | 5.00 | Сверху | 65.00 | 64,0/57,0 | 454191-0003 454191-0004 454191-0005 454191-0006 454191-0007 454191-0008 454191-0009 454191-0010 454191-0011 454191-0012 710415-0001 | n/a |
| 62 | GT2052V-2 | GARRETT | 54.00 | 77.00 | 46.00 | 40.00 | 5.00 | Сверху | 64.50 | 64,5/54,5 | 720931-0002 720931-0003 720931-0004 716885-0001 716885-0002 716885-0003 716885-0004 | n/a |
| 63 | GT2256V-2 | GARRETT | 45.00 | 77.00 | 46.00 | 30.00 | 5.00 | 45.00 | 65.00 | 65,0/55,0 | 725364-0004 | n/a |
| 64 | GT2556V-1 | GARRETT | 74.00 | 77.00 | 47.00 | 40.00 | 6.00 | n/a | 65.00 | 65,0/55,0 | 721204-0001 | n/a |
| 65 | GT1749V-9 | GARRETT | 55.00 | 76.00 | 46.00 | 35.00 | 5.00 | Сверху | 65.00 | 65,0/55,0 | 729325-0002 729325-0003 | n/a |
| 66 | GT1549P | GARRETT | n/a | 70.00 | 37.00 | n/a | 4.00 | Сверху | 57.00 | 57,0/34,0 | 707240-0001 | n/a |
| 67 | GT2359V | GARRETT | 124.00 | 100.00 | 50.00 | 45.00 | 5.00 | n/a | 85.00 | 87,0/36,0 | 750001-0001 750001-0002 | n/a |
| 68 | GTB1749VKE-1 | GARRETT | n/a | n/a | n/a | n/a | n/a | n/a | n/a | n/a | 787556-0016 798166-0002 | G-074 |
| 69 | GTB1749VKE-2 | GARRETT | n/a | n/a | n/a | n/a | n/a | n/a | n/a | n/a | 798128-0002 | G-077 |
| 70 | GTB1749VKE-3 | GARRETT | n/a | n/a | n/a | n/a | n/a | n/a | n/a | n/a | 786880-0006 | G-059 |
| 71 | GT2256MS | GARRETT | 166.00 | 60.00 | 48.00 | 25.00 | 8.00 | 10.00 | 48.00 | 48.00 | 704136-0001 704136-0002 704136-0003 | n/a |
| 72 | TB25 | GARRETT | 112.00 | 60.00 | 44.00 | 40.00 | 8.00 | n/a | 48.00 | 48.00 | 466409-0002 | n/a |
| 73 | GT1544S-1 | GARRETT | 55.00 | 60.00 | 44.00 | 40.00 | 5.00 | n/a | 48.00 | 48.00 | 454083-0001 454083-0002 | n/a |
| 74 | GT1749S | GARRETT | 156.00 | 60.00 | 43.00 | n/a | 5.00 | 45.00 | 49.00 | 49.00 | 715924-0001 715924-0003 715924-0004 | n/a |
| 75 | GT1749V-10 | GARRETT | 50.00 | 80.00 | 50.00 | 35.00 | 5.00 | n/a | n/a | 68,0/36,0 | 721164-0003 721164-0005 721164-0009 721164-0011 721164-0013 801891-0001 801891-0001 801891-0002 801891-0003 | n/a |
| 76 | GTA1749VE | GARRETT | 62.00 | 79.00 | 52.00 | 42.00 | 5.00 | n/a | 66.00 | 68,0/37,0 | 760774-0003 728768-0004 753847-0002 743847-0006 | n/a |
| 77 | RHF5 | IHI | 82.00 | 100.00 | 46.00 | 40.00 | 5.00 | n/a | n/a | 88.00 | VIEZ | n/a |
| 78 | K24 | KKK | 88.00 | 58.00 | 46.00 | 38.00 | 6.00 | Сверху | 46,5/38,0 | 46.50 | 53249707111 53249707112 53249707113 53249707114 53249707119 | n/a |
| 79 | KP35-5 | KKK | 125.00 | 58.00 | 42.00 | 40.00 | 7.00 | n/a | 49,0/37,0 | 49.00 | 54359700006 | n/a |
| 80 | K16-1 | KKK | 143.00 | 59.00 | 44.00 | 50.00 | 6.00 | Сверху | 47,0/37,0 | 47.00 | n/a | n/a |
| 81 | K16-2 | KKK | 127.00 | 59.00 | 48.00 | 50.00 | 6.00 | n/a | 49,0/38,0 | 41.00 | n/a | n/a |
| 82 | K03-2 | KKK | 125.00 | 58.00 | 42.00 | 40.00 | 7.00 | n/a | 47,0/38,0 | 49.00 | 53039700014 53039700038 53039700047 | n/a |
| 83 | K03-3 | KKK | 115.00 | 58.00 | 42.00 | 40.00 | 7.00 | n/a | 47,0/38,0 | 50.00 | 53039700055 | n/a |
| 84 | KP31 | KKK | 143.00 | 59.00 | 42.00 | 49.00 | 7.00 | n/a | 49,0/38,0 | 49.00 | 54319700002 54319700000 | n/a |
| 85 | BV43E-1 | KKK | 93.00 | 77.00 | 86.00 | 40.00 | 7.00 | n/a | 66.00 | 67.00 | 53039700109 | n/a |
| 86 | K03-4 | KKK | 108.00 | 71.00 | 52.00 | 40.00 | 6.00 | Сверху | 60,0/49,0 | 60.00 | 53039700011 53039700044 53039700052 53039700058 | n/a |
| 87 | K14 | KKK | 147.00 | 70.00 | 51.00 | 69.00 | 6.50 | Сверху | 59,0/49,0 | 59.00 | 53149707018 | n/a |
| 88 | K14-1 | KKK | 142.00 | 70.00 | 51.00 | 70.00 | 6.00 | Сверху | 59,0/49,0 | 59.00 | 53149707025 | n/a |
| 89 | K0422 | KKK | 143.00 | 59.00 | 51.00 | n/a | 6 и 7 | n/a | 48.50 | 45,0/20,0 | K0422-881 K0422-882 | n/a |
| 90 | K03-5 | KKK | 135.00 | 70.00 | 51.00 | 50.00 | 6.50 | Сверху | 59,0/49,0 | 49.00 | 53039700086 53039700105 | n/a |
| 91 | K03E | KKK | n/a | n/a | n/a | n/a | n/a | n/a | n/a | n/a | n/a | n/a |
| 92 | K03-6 | KKK | 180.00 | 70.00 | 52.00 | 56.00 | 5.00 | Сверху | 59.00 | 59.00 | 53039700117 53039700120 53039700121 53039700179 53039700217 53039700243 53039700425 | n/a |
| 93 | K03-7 | KKK | 170.00 | 70.00 | 44.00 | 40.00 | 6.00 | n/a | 59.00 | 59.00 | 53039700099 53039700142 53039700150 53039700151 53039700162 53039700248 | n/a |
| 94 | KP35-6 | KKK | 130.00 | 59.00 | 43.00 | 40.00 | 7.00 | n/a | 47,0/38,0 | 49.00 | 54359700021 | n/a |
| 95 | K03-8 | KKK | 160.00 | 58.00 | 47.00 | 40.00 | 6.00 | Сверху | 47,0/38,0 | 48.00 | 53039700015 | n/a |
| 96 | KP35-7 | KKK | 111.00 | 58.00 | 50.00 | 60.00 | 5.00 | Сверху | 48.00 | 54359700029 | n/a | |
| 97 | TF035-1 | MHI | 125.00 | 80.00 | 58.00 | 17.00 | 6.00 | n/a | 67.50 | 67,5/36,5 | 49135-02652 | n/a |
| 98 | TD02-1 | MHI | 92.00 | 55.00 | 43.00 | 20.00 | 7.50 | n/a | 43,0/25,0 | 43.00 | 49173-06500 49173-06501 49173-06503 | n/a |
| 99 | TD02-2 | MHI | 99.00 | 58.00 | 48.00 | 20.00 | 6.00 | n/a | 46,0/36,0 | 43.00 | 49173-02610 49173-02612 49173-02620 49173-02622 | n/a |
| 100 | TF035-2 | MHI | 112.00 | 53.80 | 41.20 | 25.00 | 6.00 | n/a | 43.00 | 43.00 | 49135-04121 | n/a |
| 101 | TD03 | MHI | 175.00 | 53.50 | 53.00 | 27.00 | 6.00 | n/a | 43,0/35,0 | 43.00 | 49131-05310 49131-05312 49131-05313 | n/a |
| 102 | GTB1756VKE-1 | GARRETT | n/a | n/a | n/a | n/a | n/a | n/a | n/a | n/a | 797001-0001 796911-0002 | G-009 |
| 103 | GTB2260VKE-1 | GARRETT | n/a | n/a | n/a | n/a | n/a | n/a | n/a | n/a | 758351-0003 758351-0005 758351-0009 758351-0013 | G-072 |
| 104 | GTA2056VKE-1 | GARRETT | n/a | n/a | n/a | n/a | n/a | n/a | n/a | n/a | 765156-0004 777318-0001 781743-0001 765155-0007 770895-0002 770895-0007 | G-001 |
| 105 | GT2256VKE-1 | GARRETT | n/a | n/a | n/a | n/a | n/a | n/a | n/a | n/a | 727463-0001 727463-0002 727463-0003 727463-0004 736088-0003 | G-186 |
| 106 | GTB1752VKE-1 | GARRETT | n/a | n/a | n/a | n/a | n/a | n/a | n/a | n/a | 780502-0001 | G-041 |
| 107 | GTB2056VKE-1 | GARRETT | n/a | n/a | n/a | n/a | n/a | n/a | n/a | n/a | 764809-0001 764809-0002 764809-0003 764809-0004 | G-088 |
| 108 | GTA2052VKE-1 | GARRETT | n/a | n/a | n/a | n/a | n/a | n/a | n/a | n/a | 752610-0032 | G-048 |
| 109 | GTB1756VKE-2 | GARRETT | n/a | n/a | n/a | n/a | n/a | n/a | n/a | n/a | 763148-0003 | G-049 |
| 110 | GTB2260VKE-2 | GARRETT | n/a | n/a | n/a | n/a | n/a | n/a | n/a | n/a | 758351-0024 | G-013 |
| 111 | GTB1244VZE-1 | GARRETT | n/a | n/a | n/a | n/a | n/a | n/a | n/a | n/a | 776403-0002 776403-0003 | G-029 |